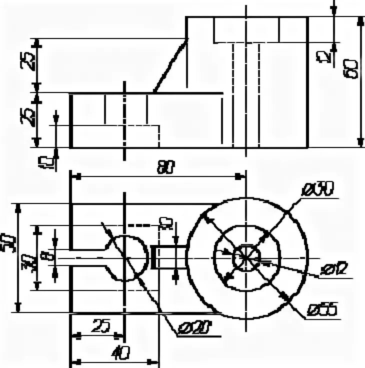
Тип а инженерная