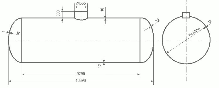
Тип 66 калибровка цистерны