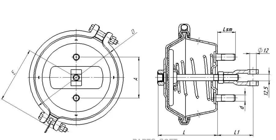
Тип 16 7924