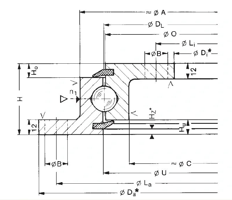
Тип 13 51315