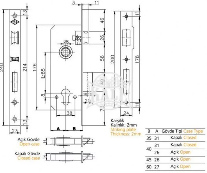
Тип 12 311543