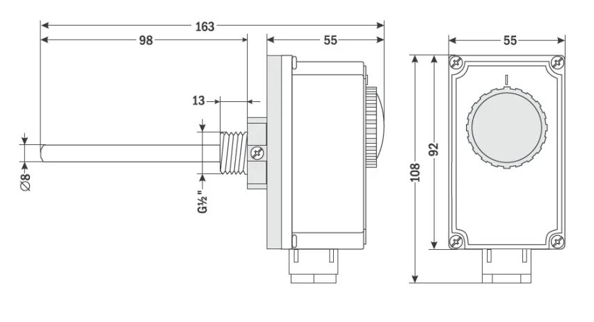
Термостат тп 110