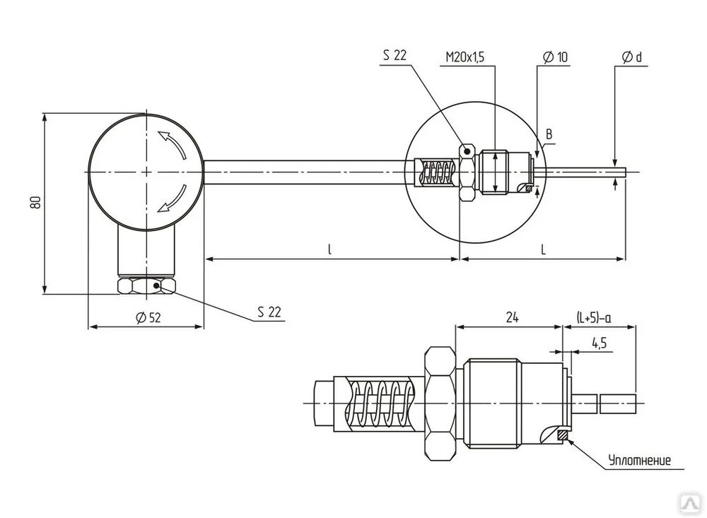
Термометр сопротивления для температуры