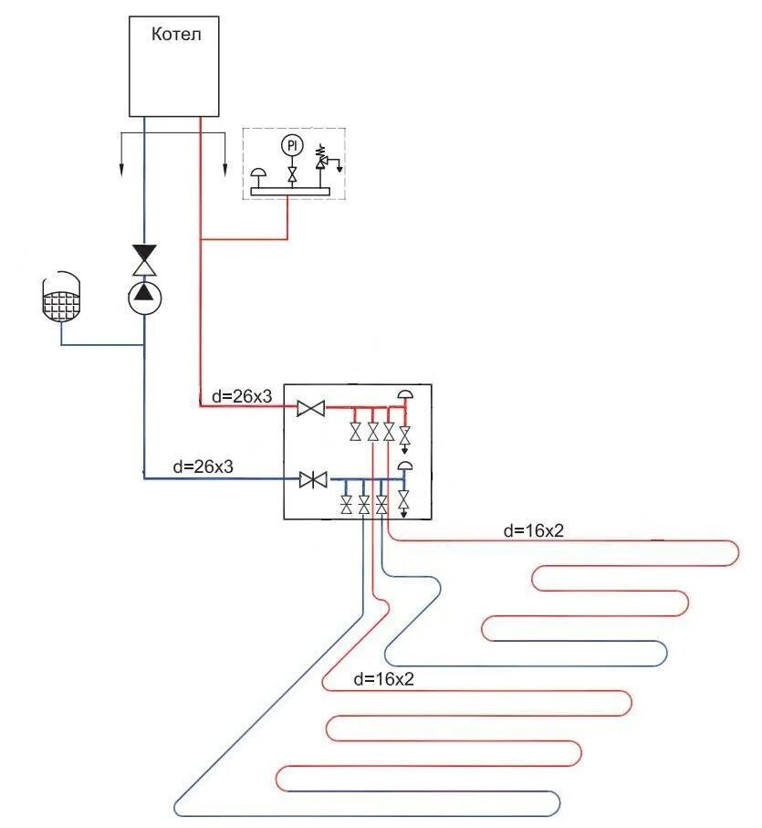
Теплый пол подключить схема