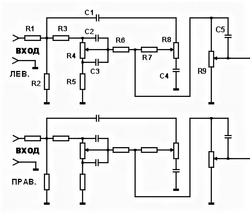
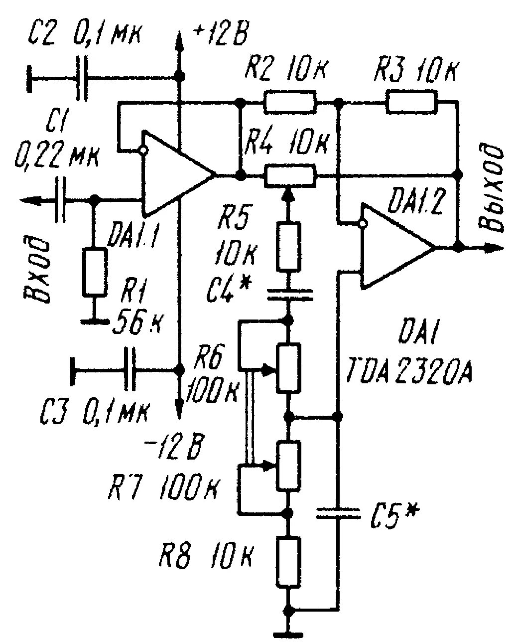
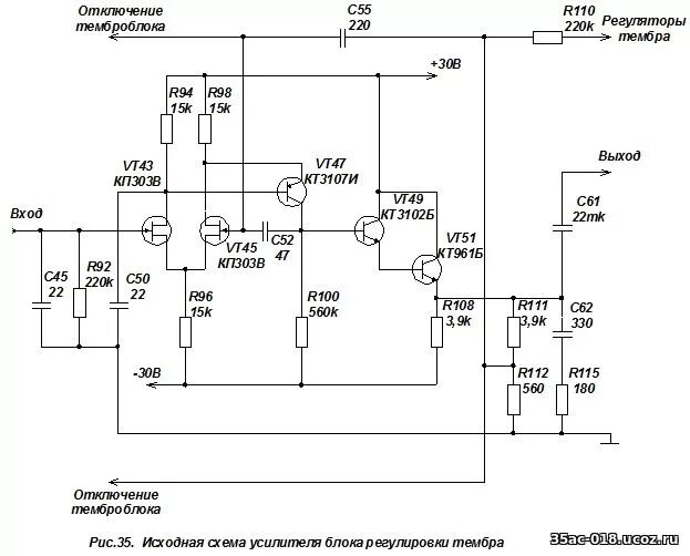
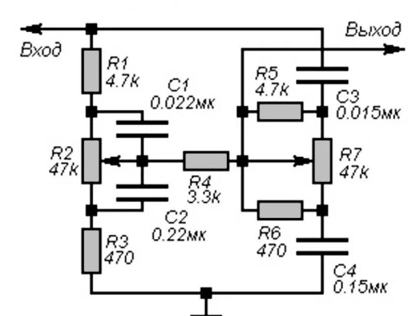
Тембр регулировка