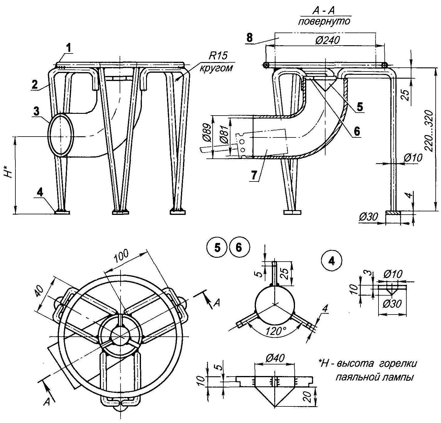
Таганки для паяльных ламп