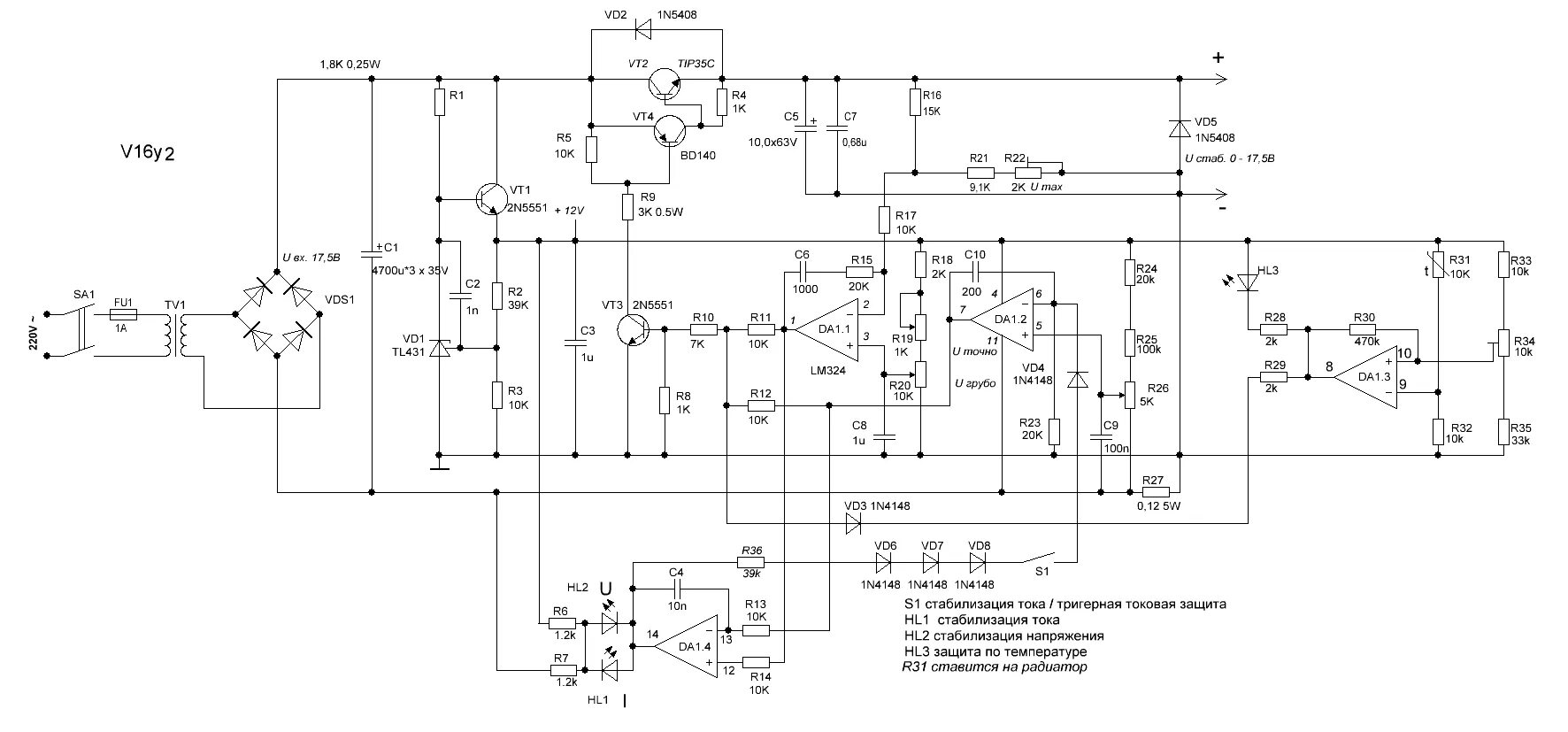
T a c c 35