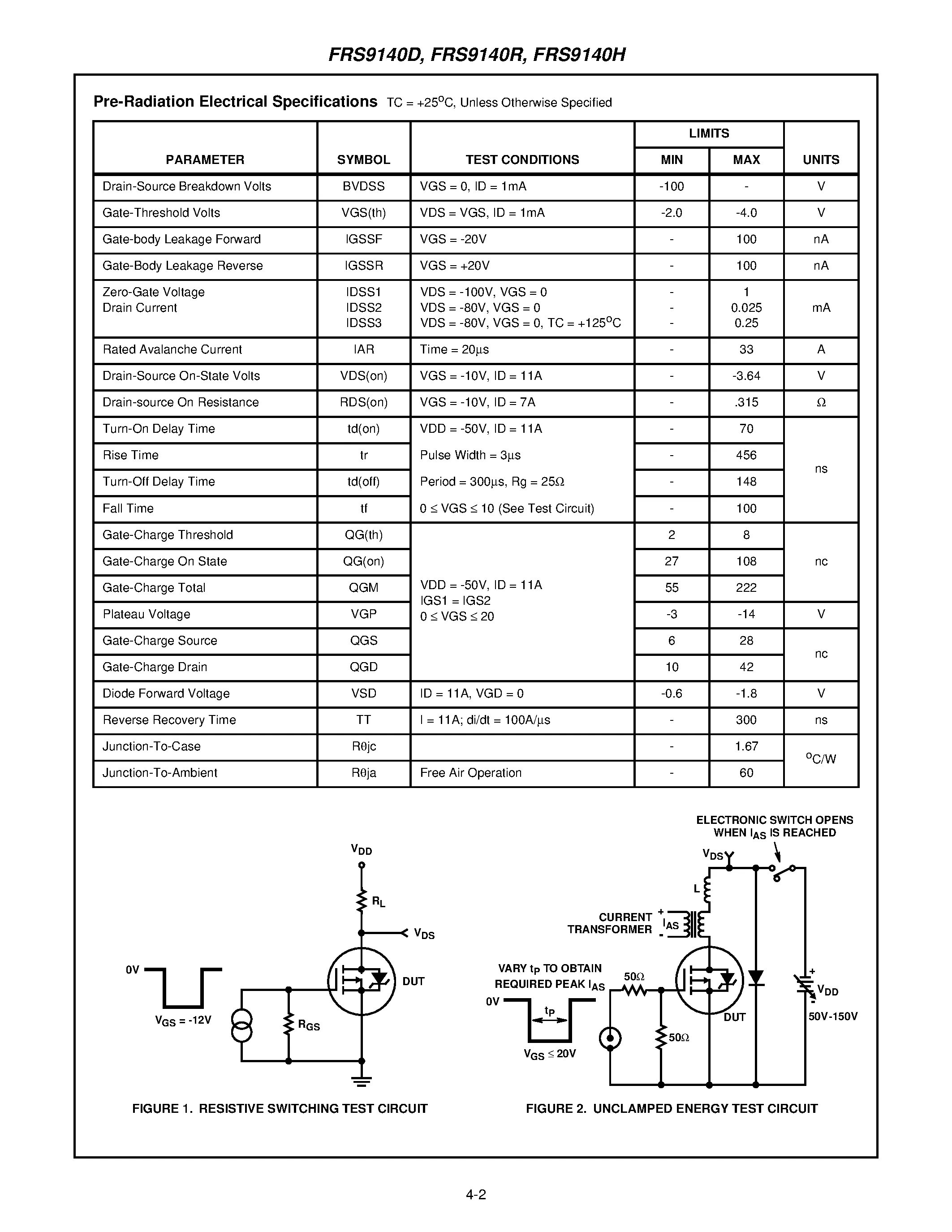
Switching tests