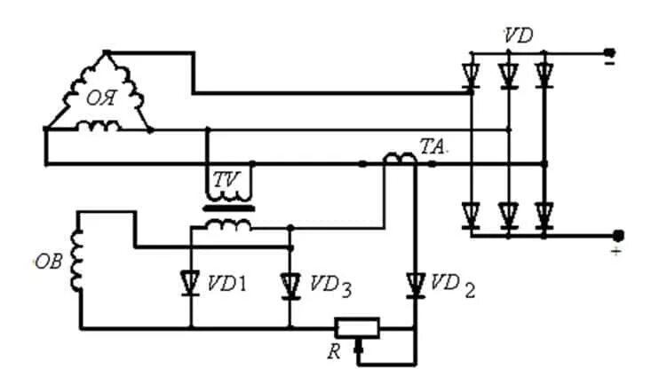
Сварочные генераторы гд