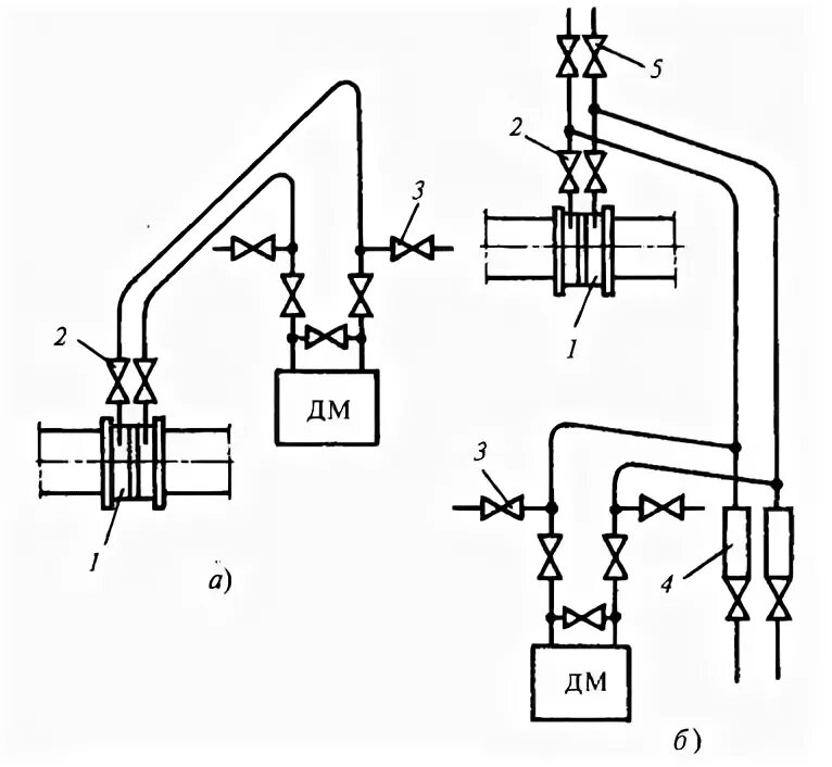
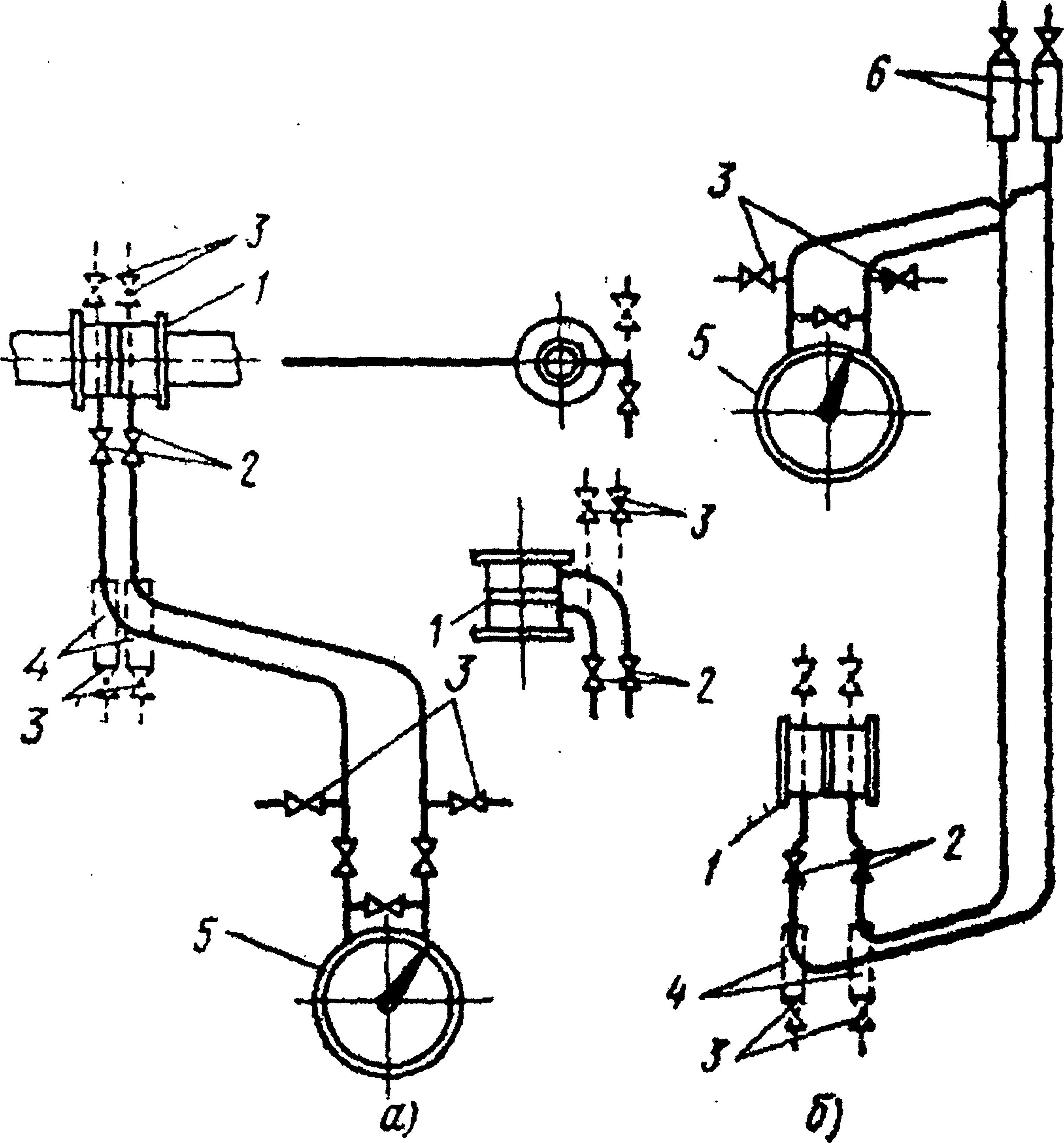
Сужающее устройство для измерения расхода