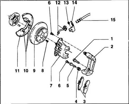
Суппорт передний т5