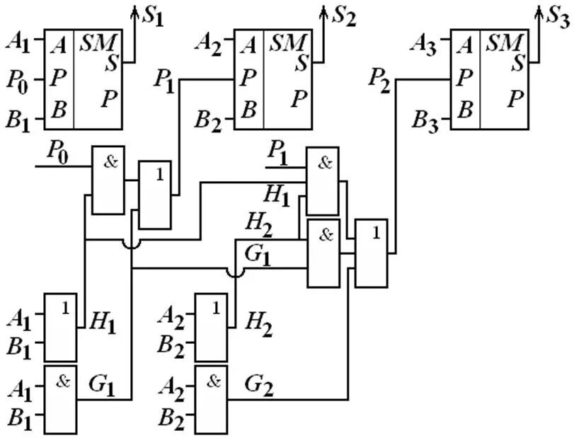
Сумматор функции