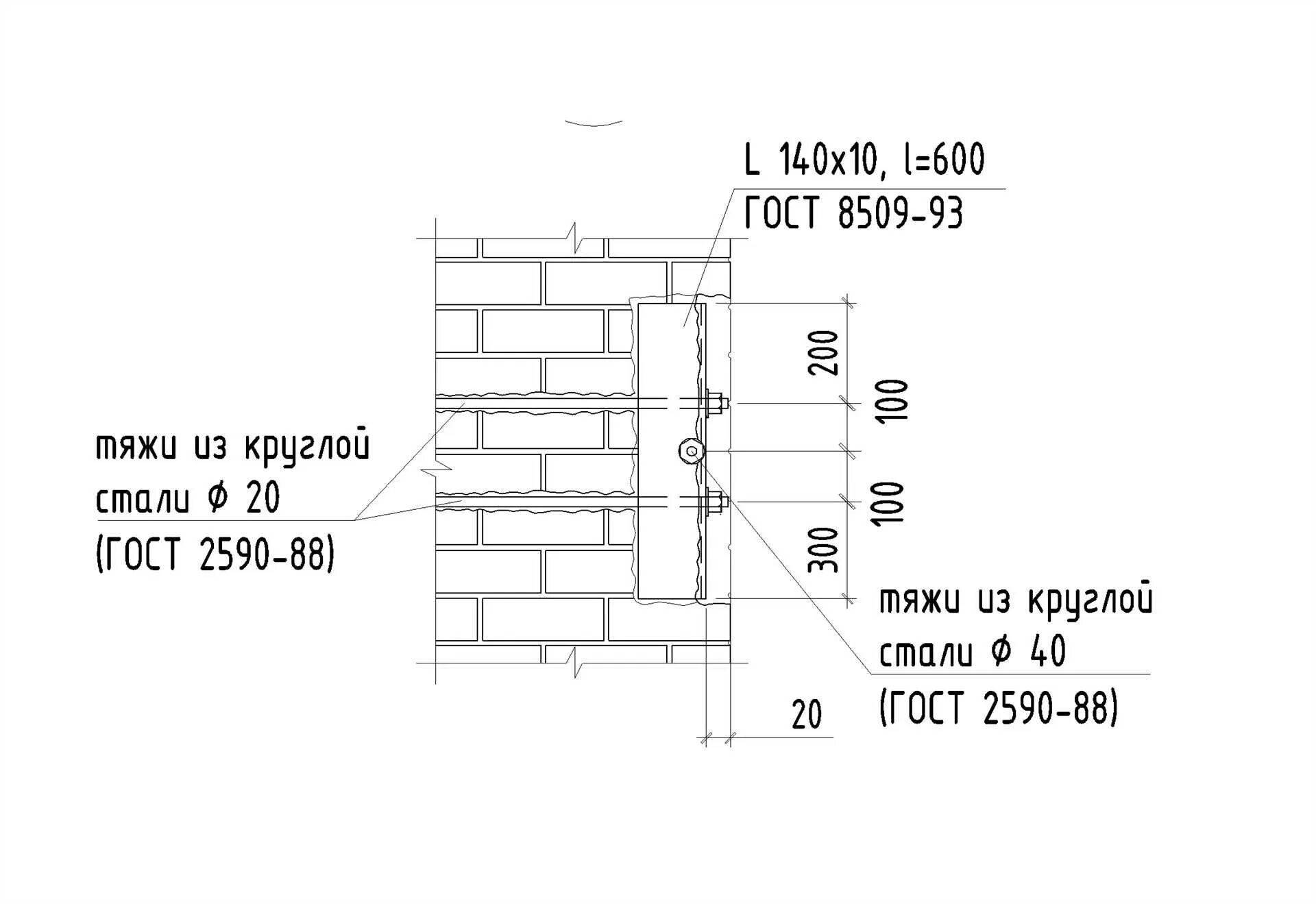
Стяжка кирпичной стены