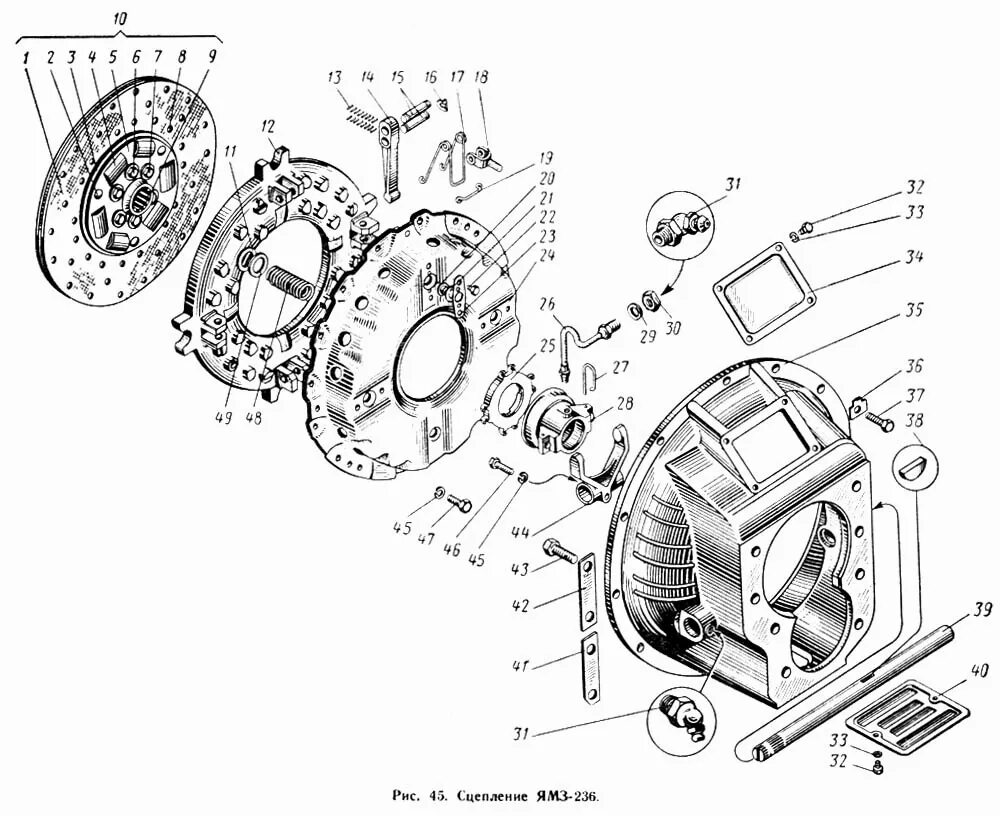
Сцепление в сборе маз