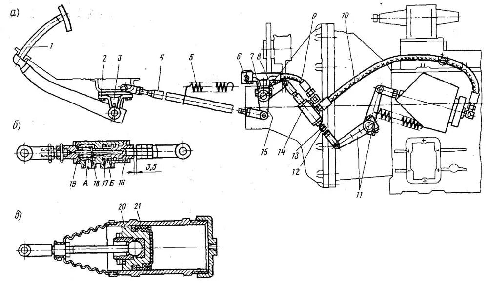
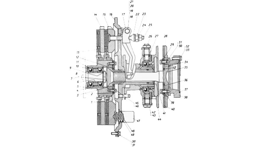
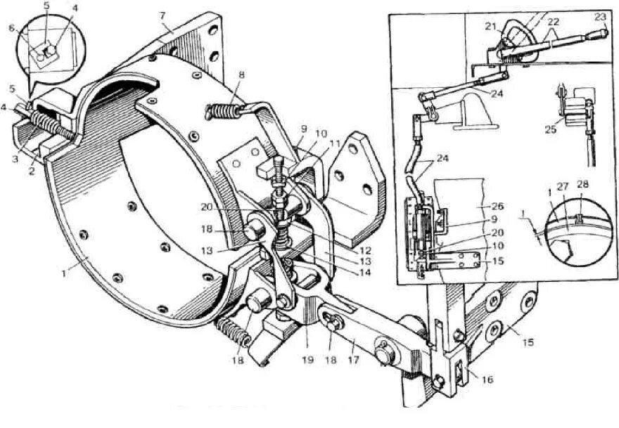
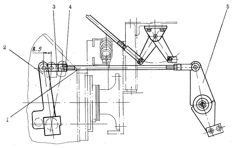
Сцепление автогрейдера