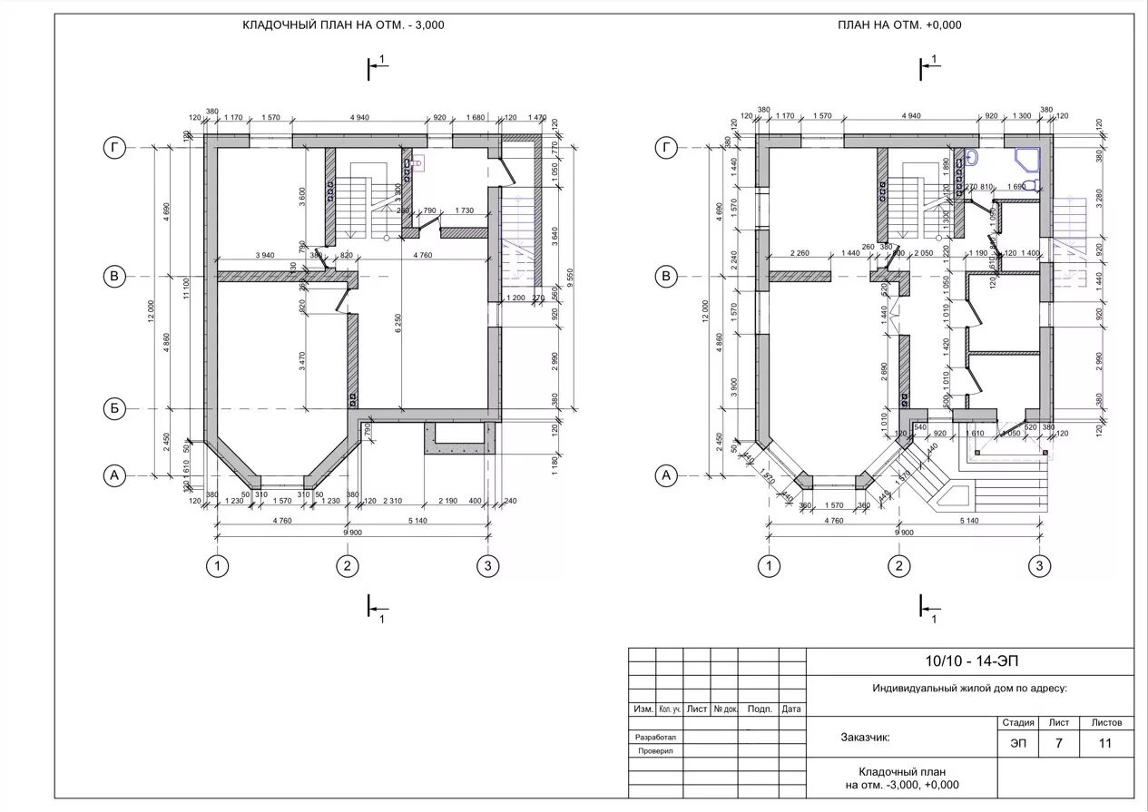
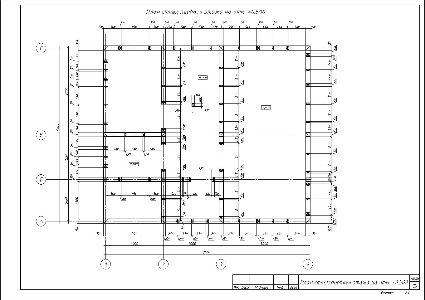
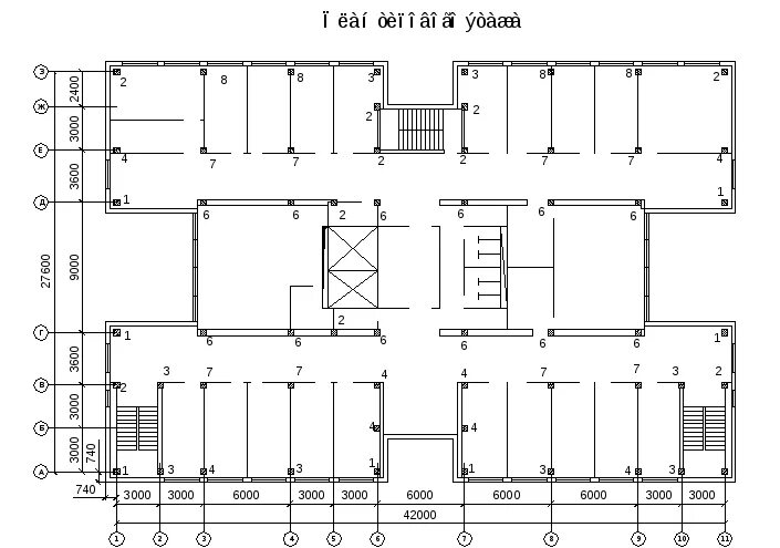
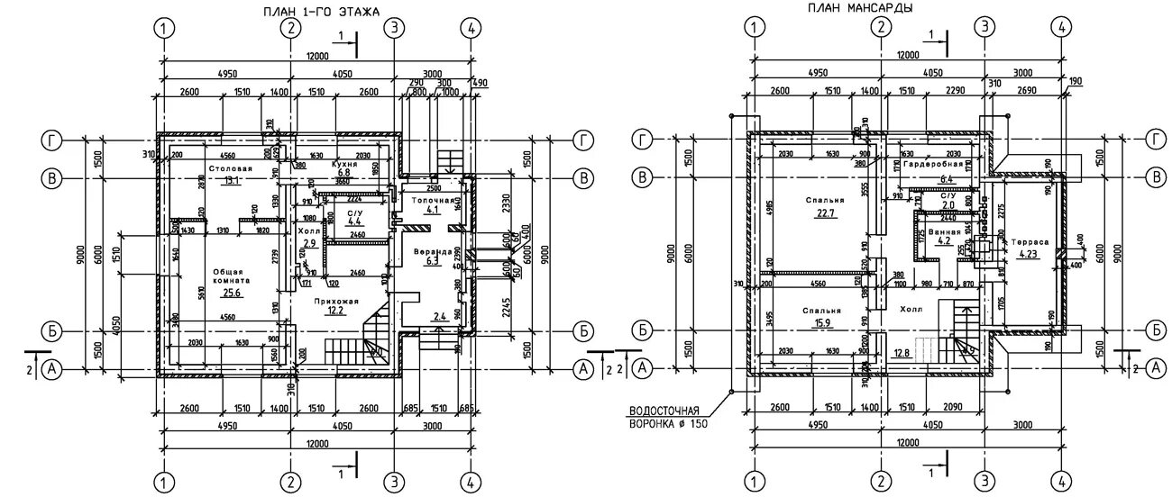
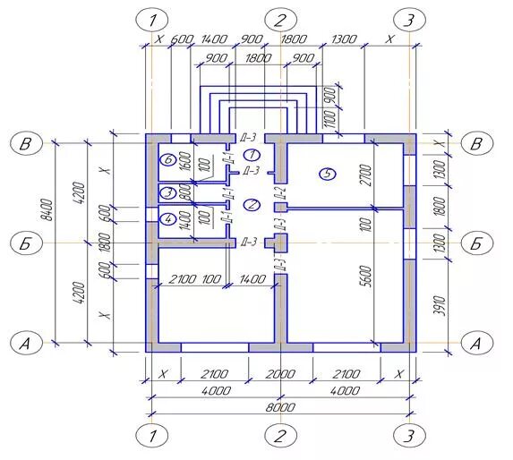
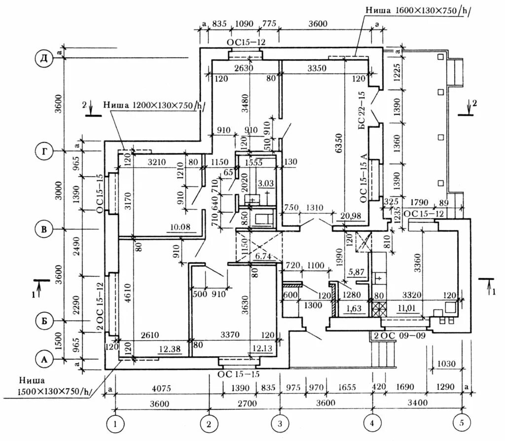
Стены на плане здания