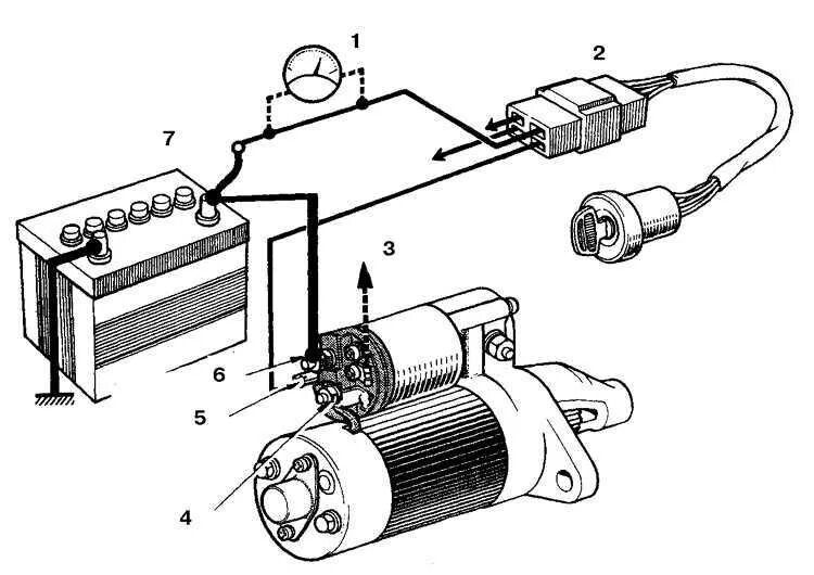
Стартер как подсоединить провода