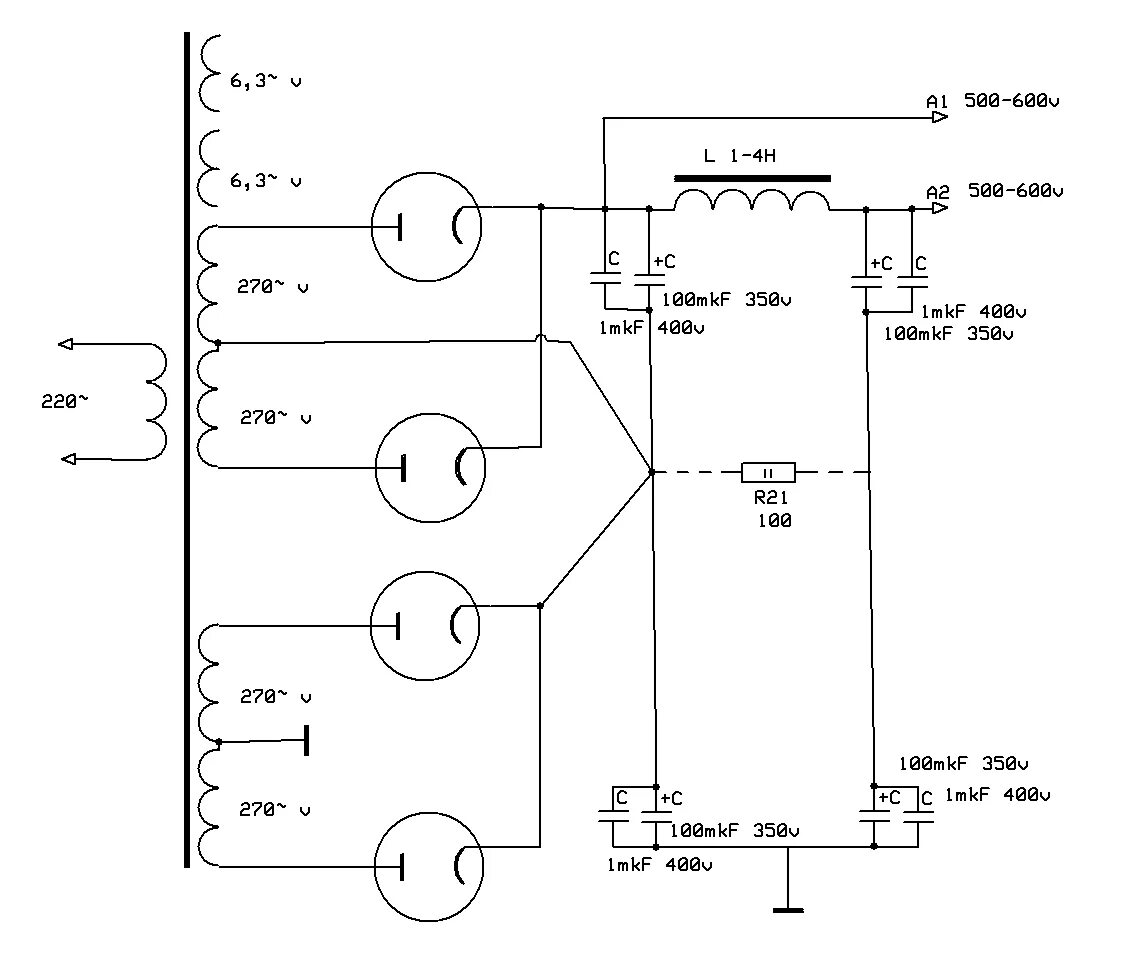
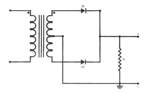
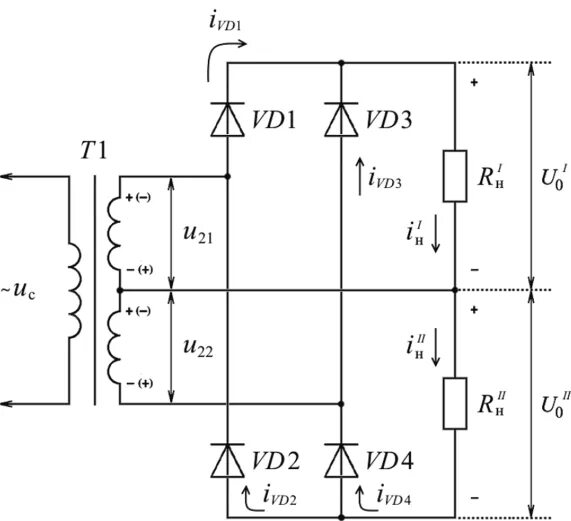
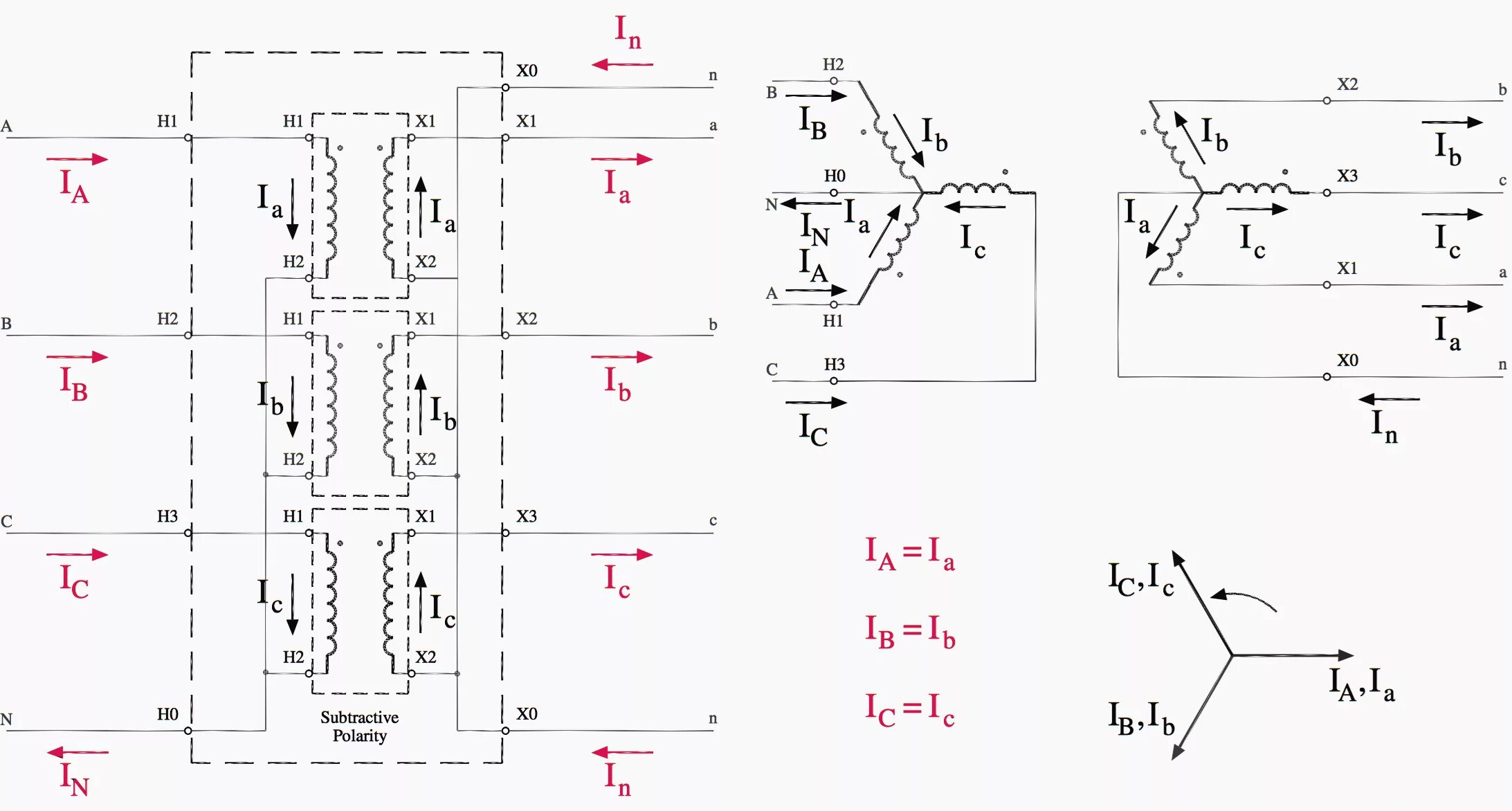
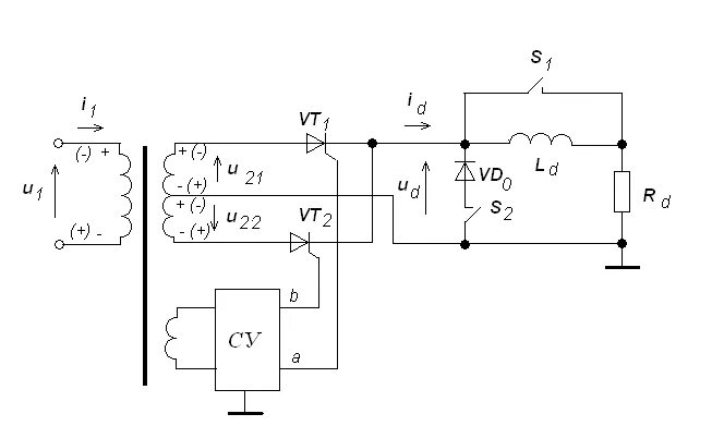
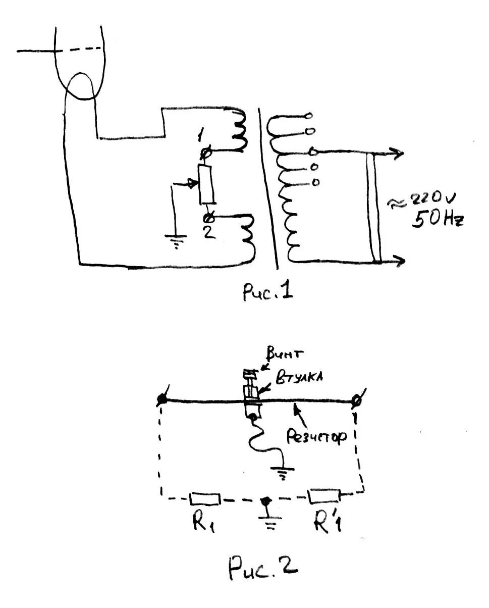
Средняя точка трансформатора схема