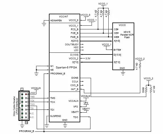
Spi fast flash boot