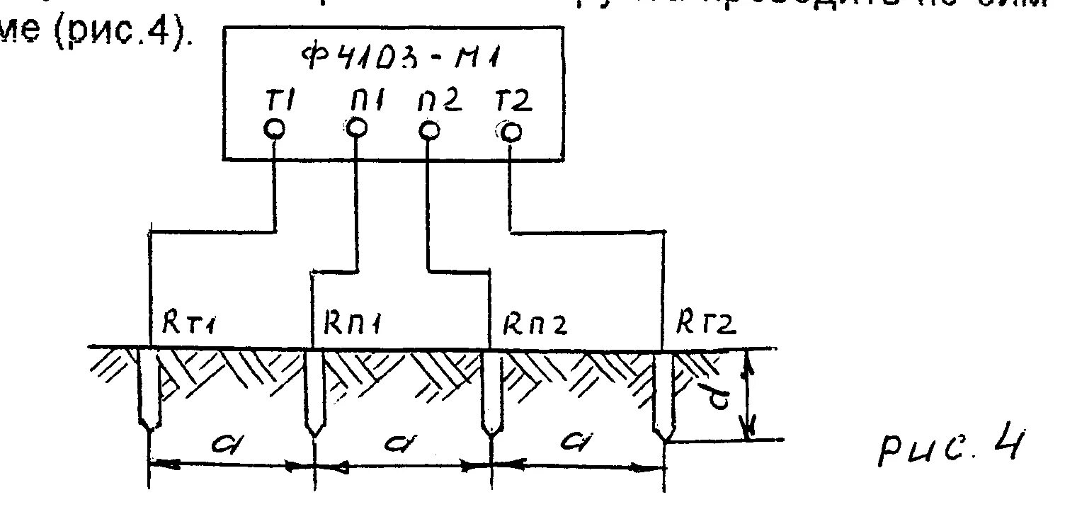
Сопротивление заземляющего устройства опоры