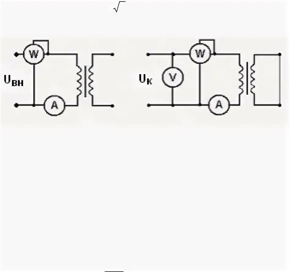
Сопротивление кз трансформатора