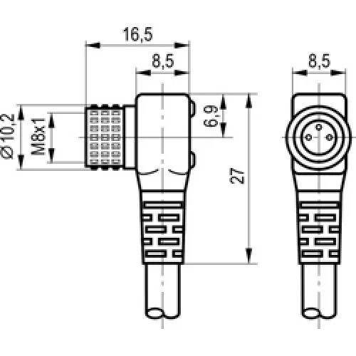
Соединитель cs