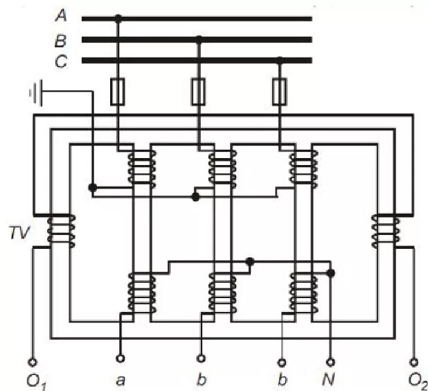
Соединение трехфазного трансформатора