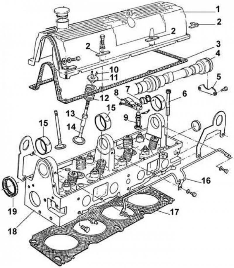
Снять головку двигателя 1