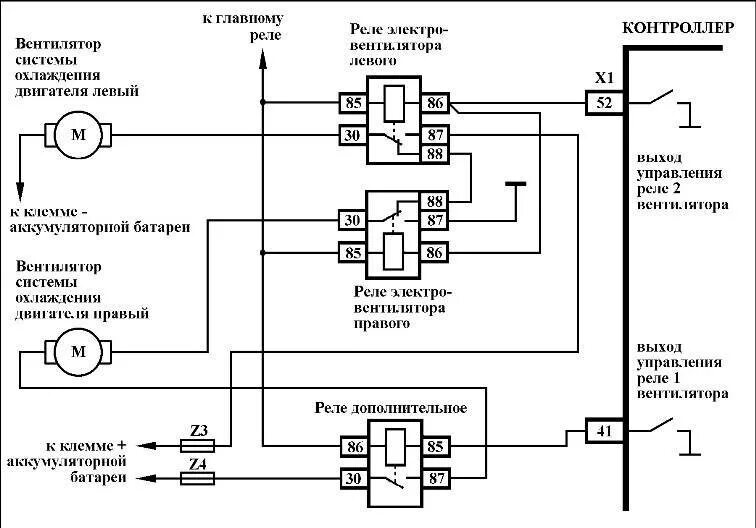
Сколько работает вентилятор