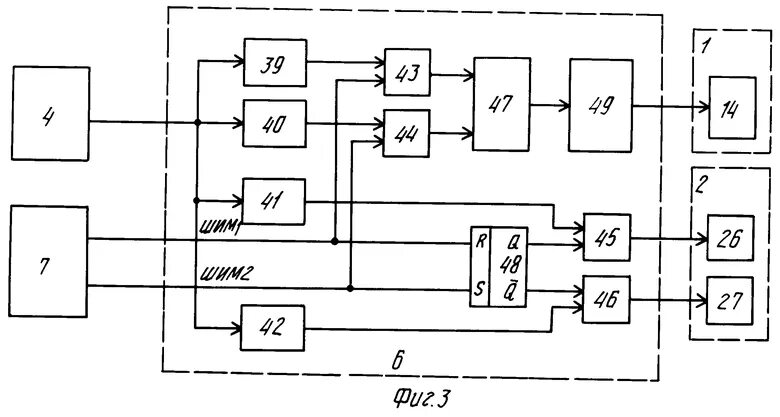
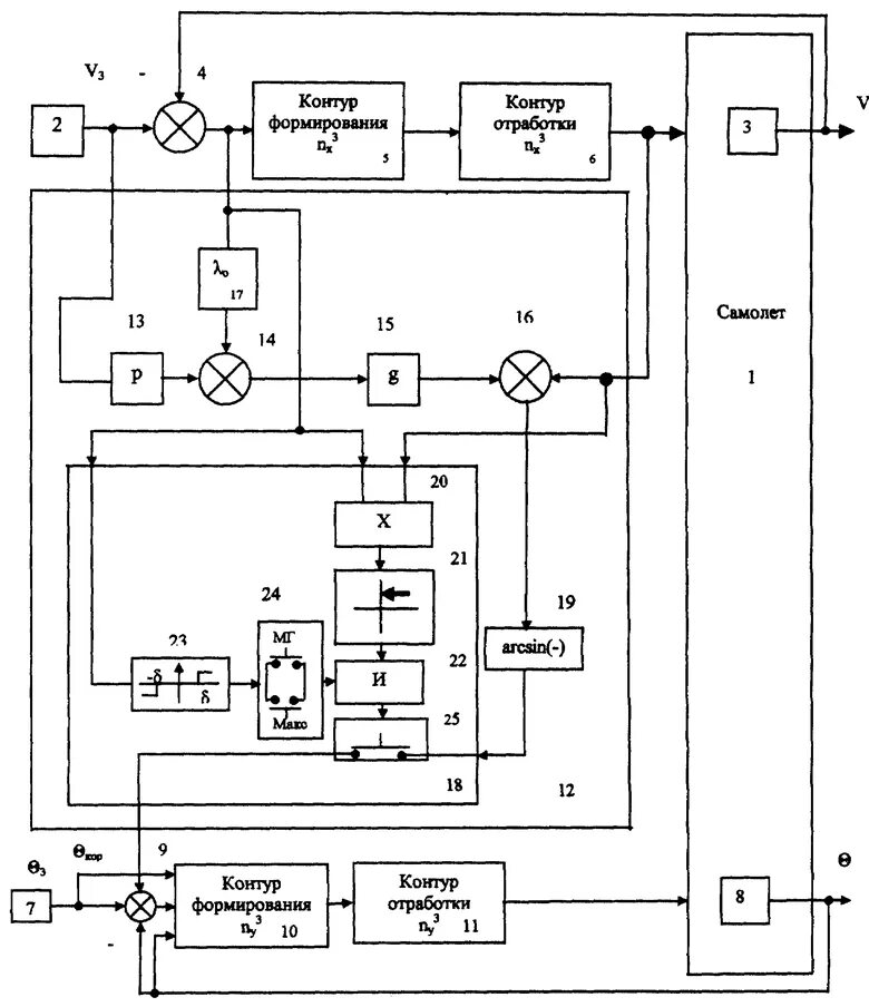
Системы автоматического управления полетом