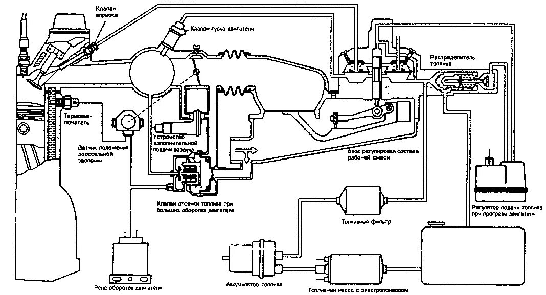
Система впрыска инжектора