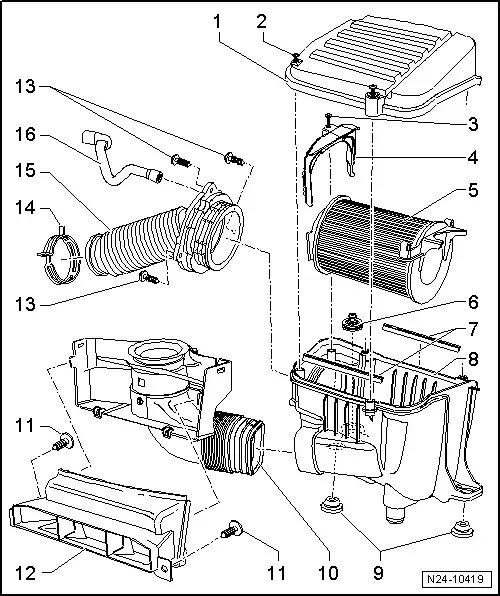
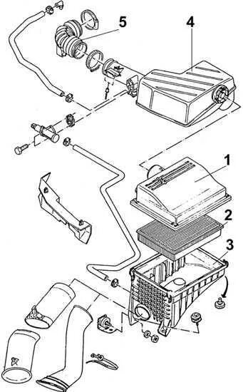
Система воздушного фильтра