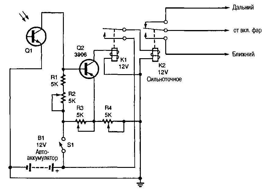
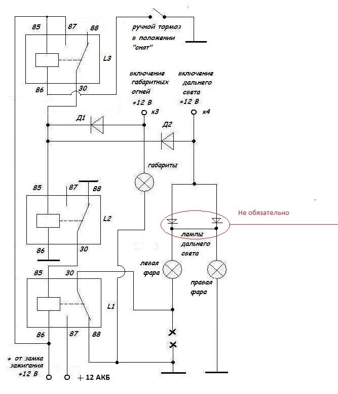
Система управления дальним светом фар