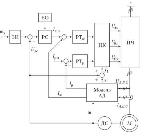
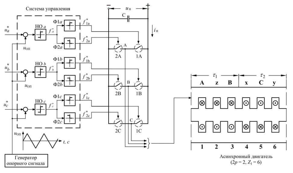
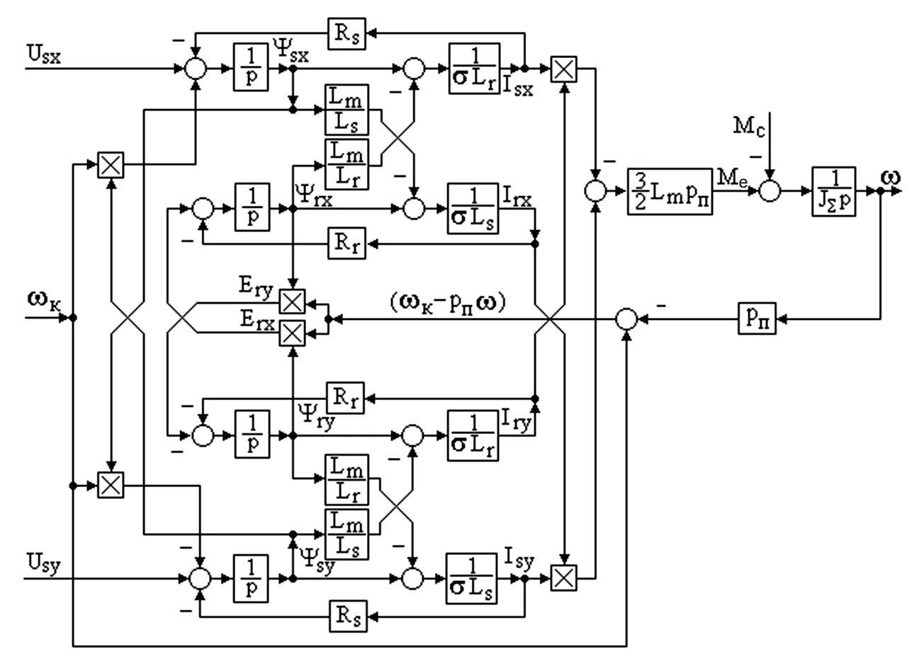
Система управления асинхронного двигателя