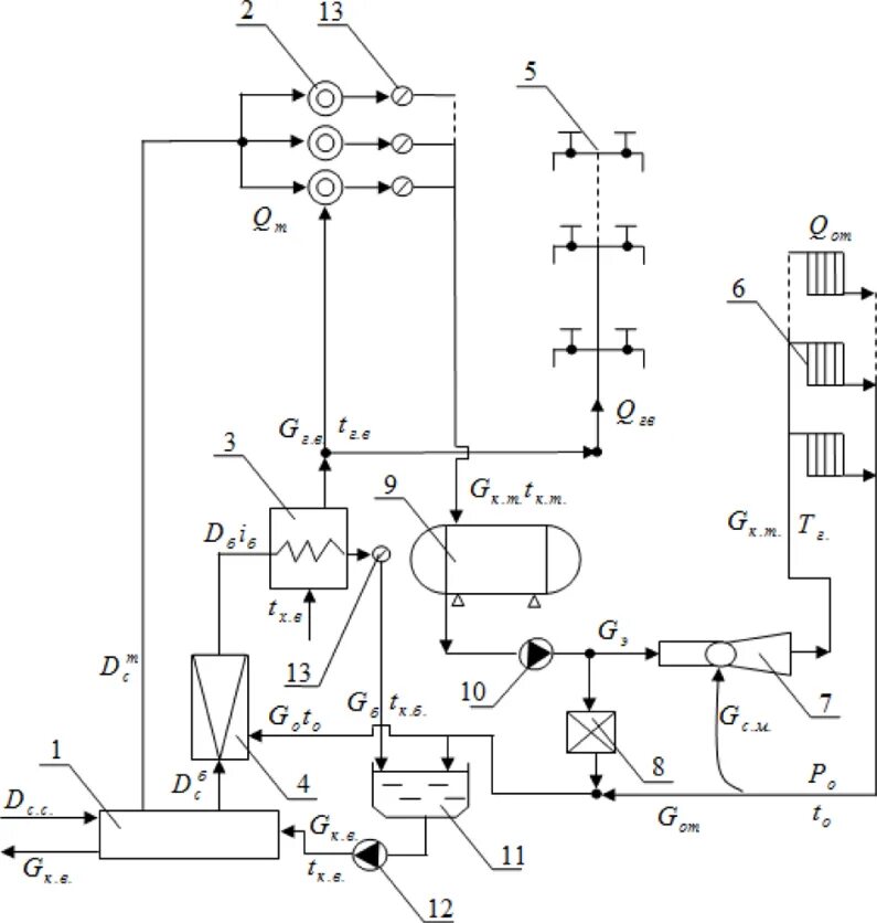
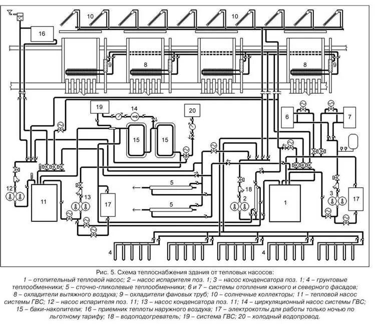
Система теплоснабжения промышленного предприятия