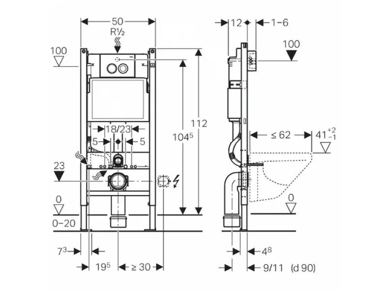
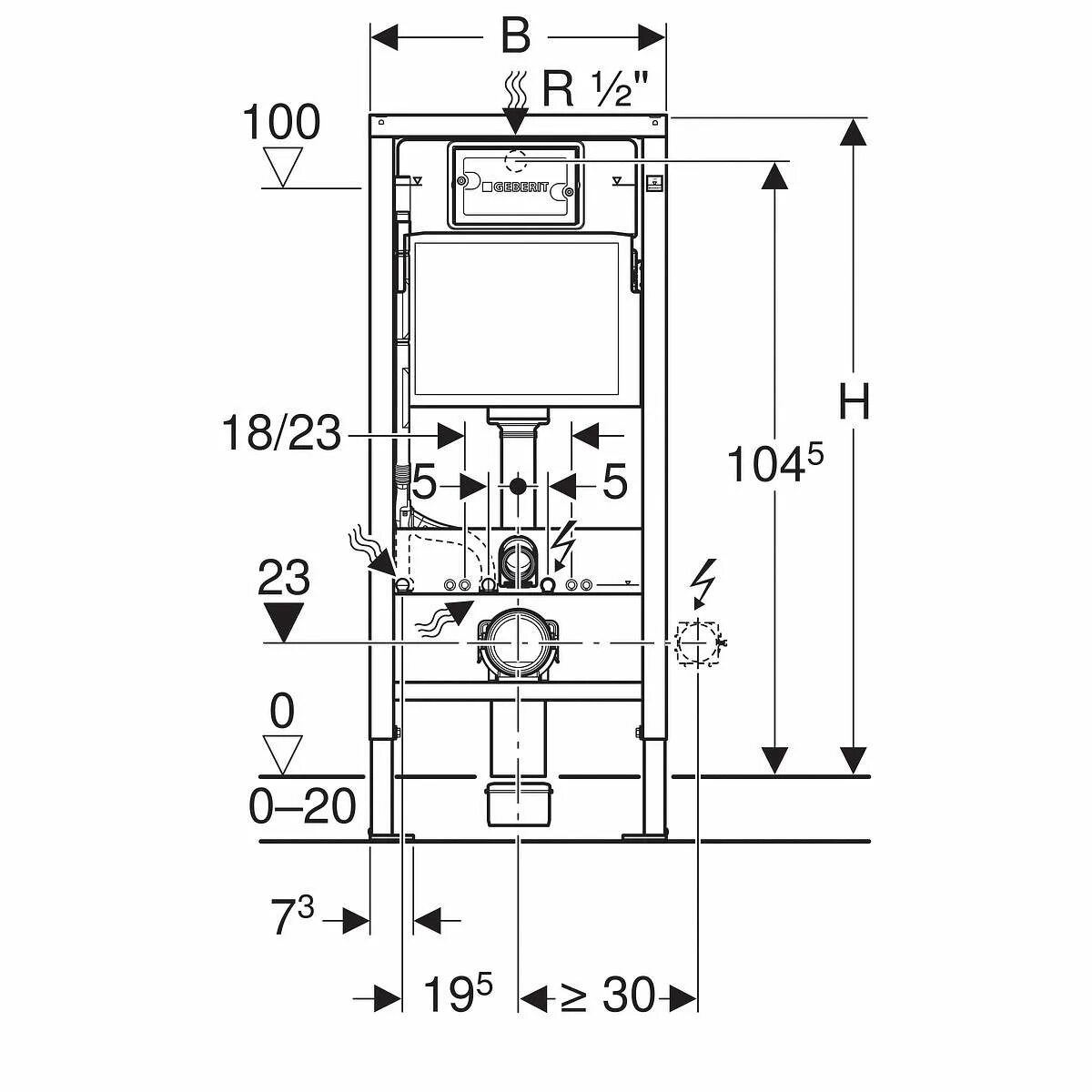
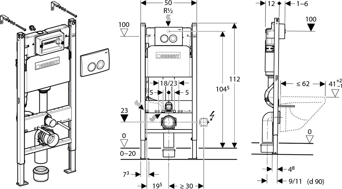
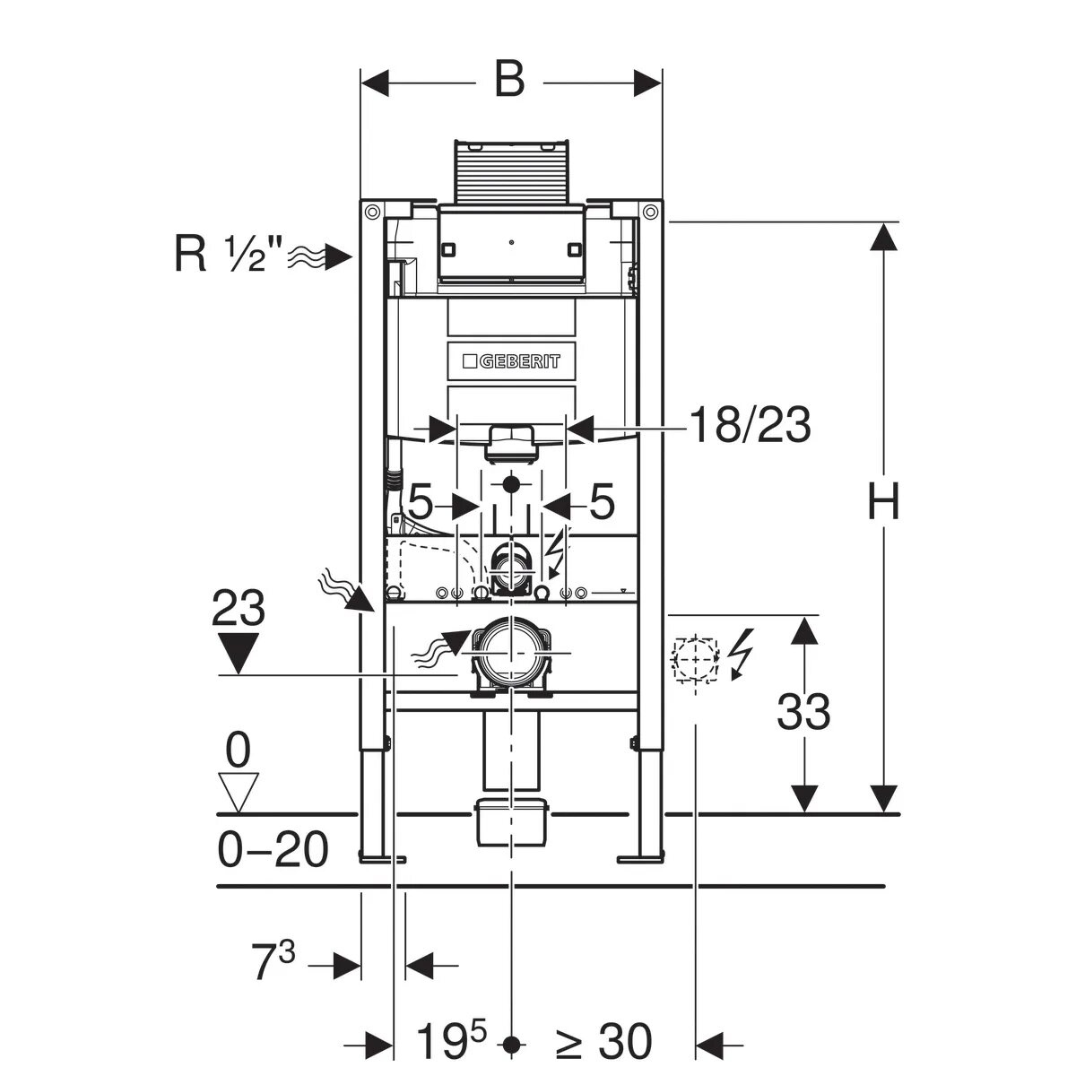
Система смыва инсталляции