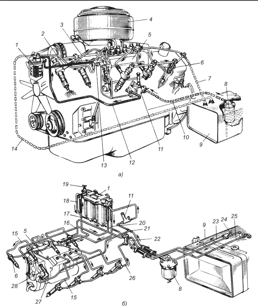
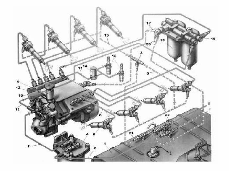
Система питания двигателя камаз