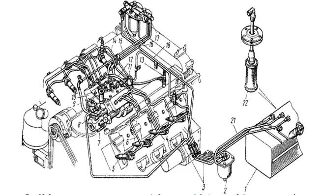
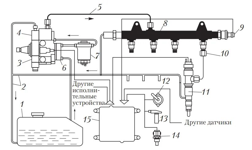
Система питания 4 2