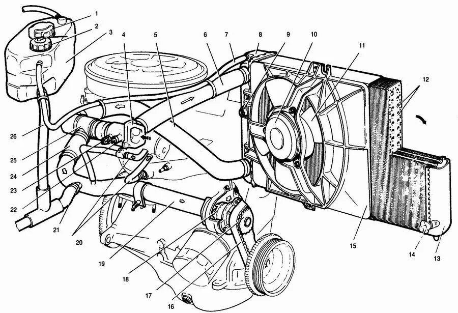
Система охлаждения ваз 2110 карбюратор