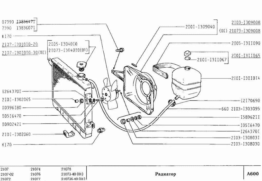
Система охлаждения ваз 2107 инжектор схема