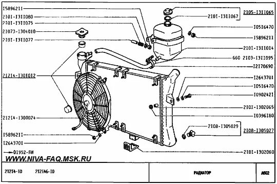
Система охлаждения нива 21214 инжектор