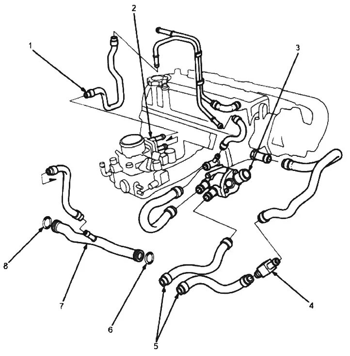
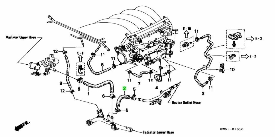
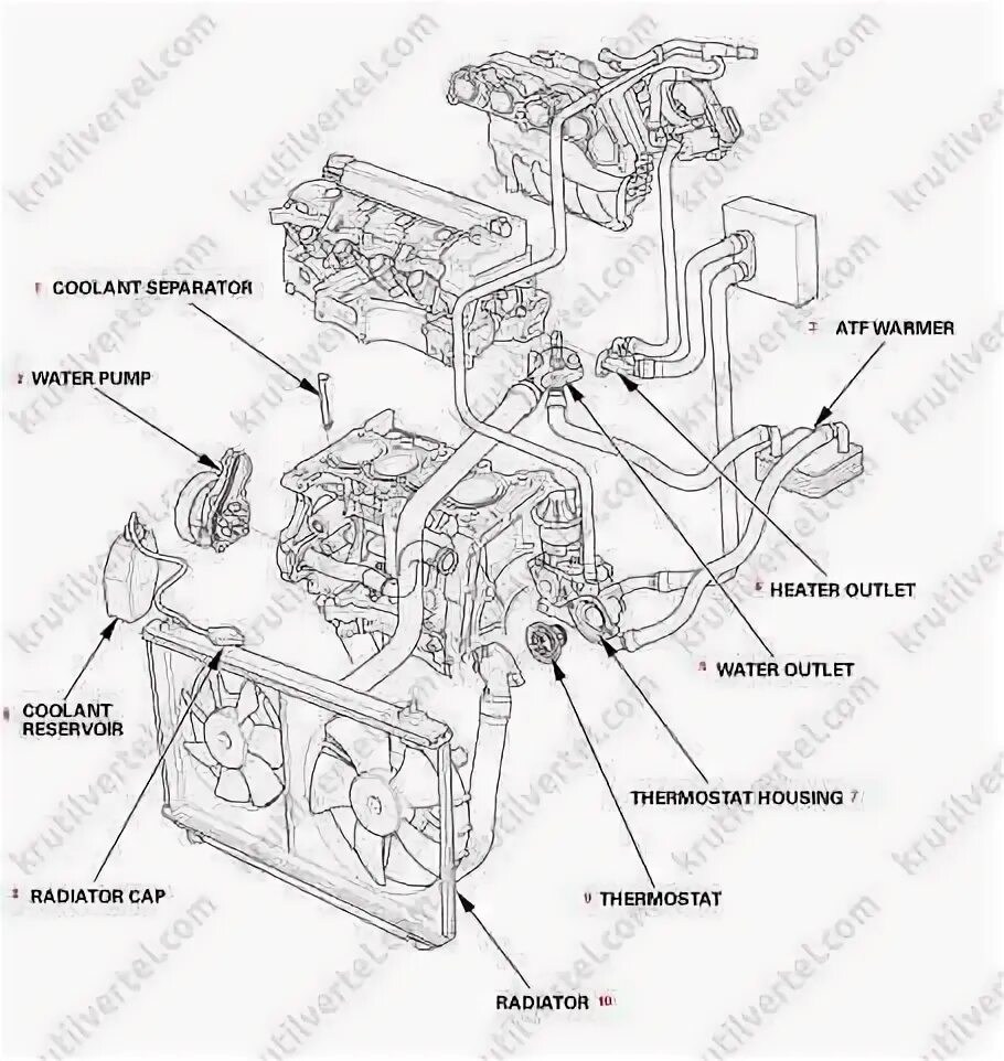
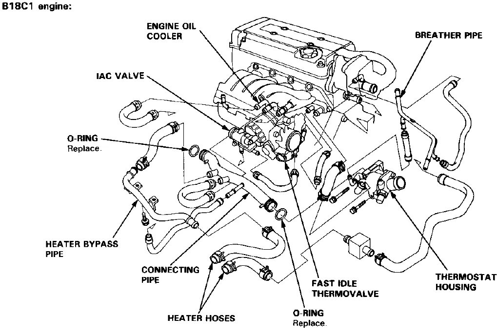
Система охлаждения хонда срв рд1