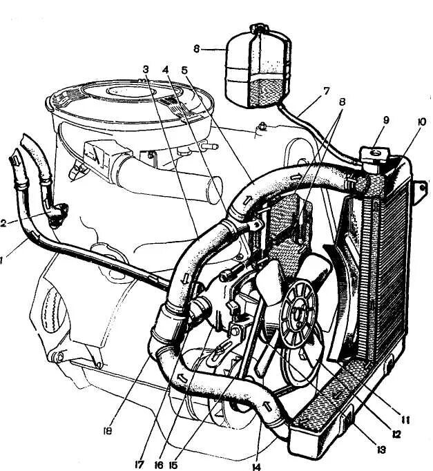
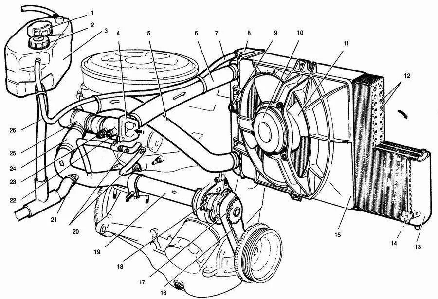
Система охлаждения двигателя ваз