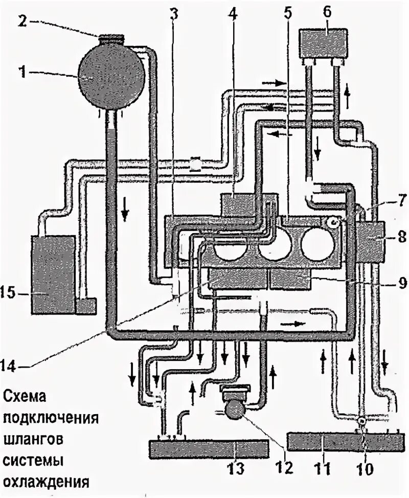
Система охлаждения двигателя шкода