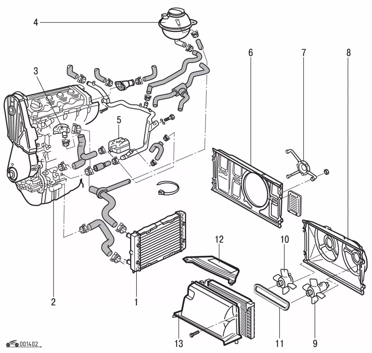
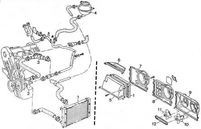
Система охлаждения двигателя пассат б3