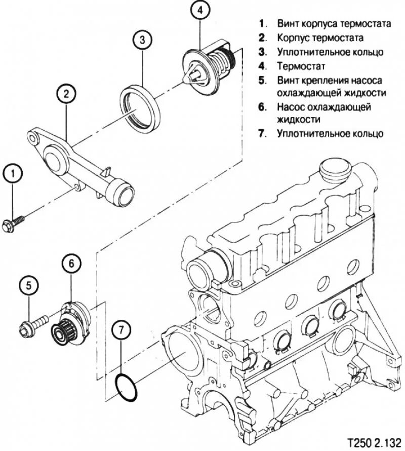
Система охлаждения двигателя авео