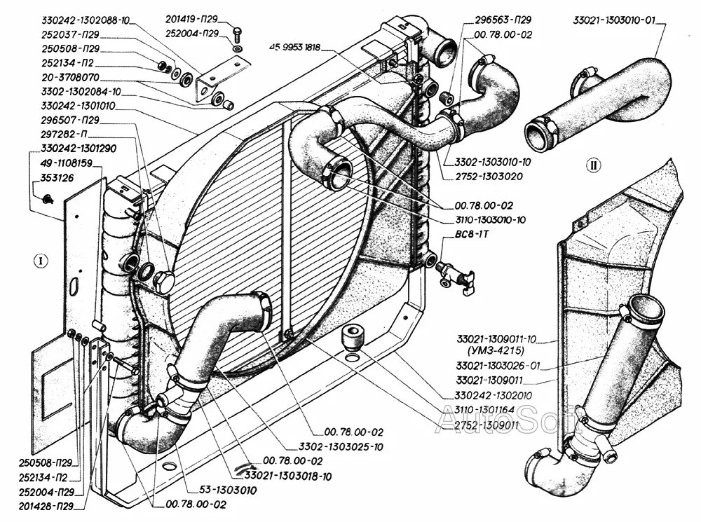
Система охлаждения двигателя 405 газель