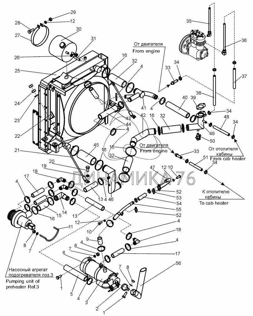
Система охлаждения двигатель cummins