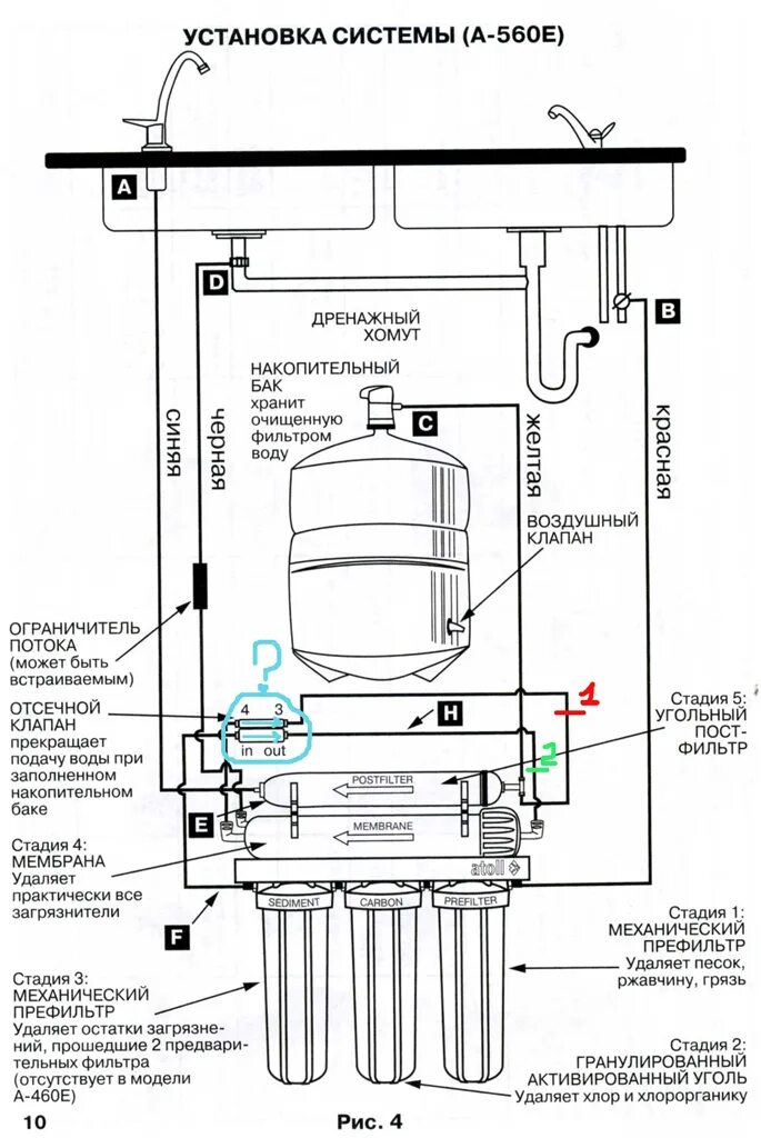
Система обратного осмоса без бака