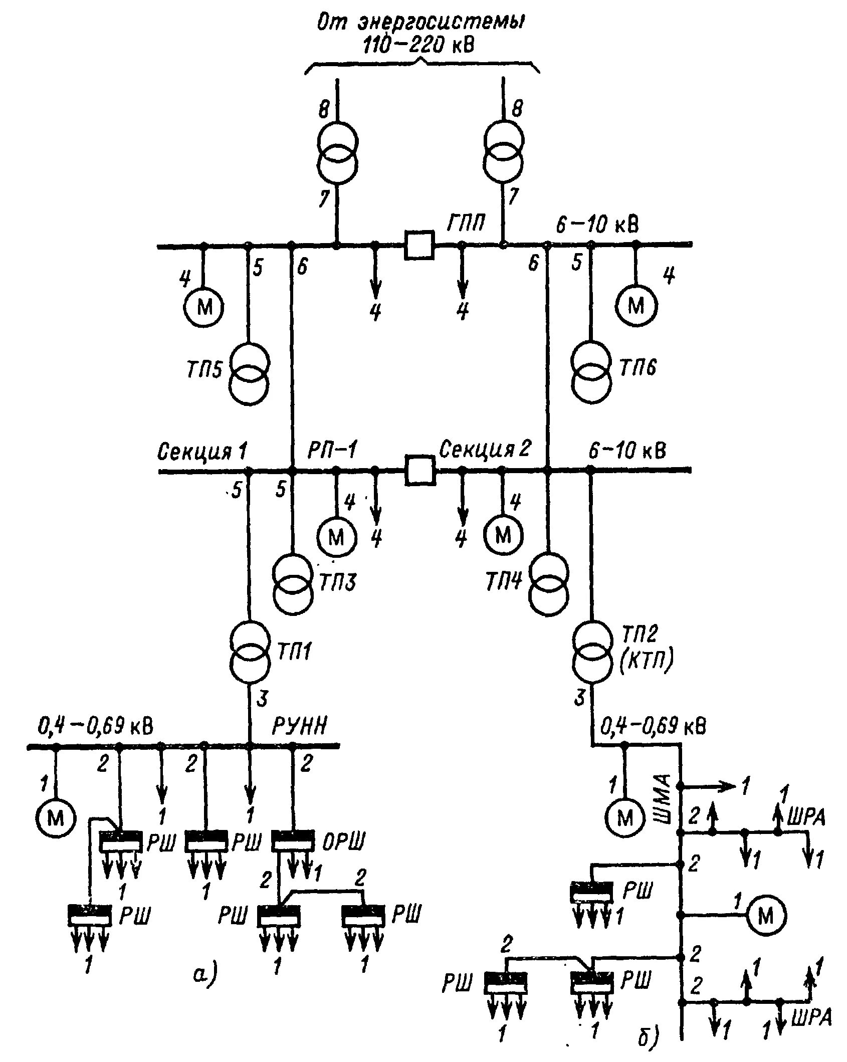
Система электроснабжения пример